DIGITAL VCO  - 3



Implementazione hardware

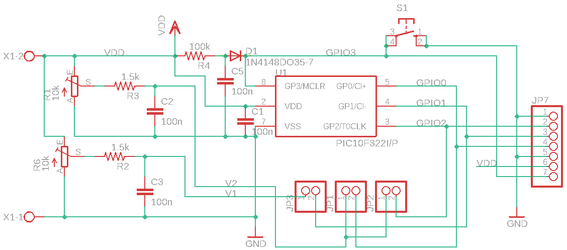
L'implementazione hardware del VCO e' molto semplice in quanto basata sul microcontrollore che assolve internamente alla maggior parte dei compiti necessari per la realizzazione del VCO. Dobbiamo curare solo alcuni aspetti e mettere il minimo della componentistica esterna per garantire l'alimentazione del micro, il pilotaggio dei suoi ingressi e la elaborazione, se necessaria, delle sue uscite. Il resto va fatto a livello di firmware. Il circuito di alimentazione e' il classico con tensione continua stabilizzata che può variare da un valore di 3,3V a 5,5V (1,8V a 5,5V per la versione LF) avendo cura di mettere un condensatore da 100nF tra i pin di VDD e VSS del micro. Con il pulsante  S1, normalmente aperto effettueremo la selezione della frequenza FOSC. Le tensioni di controllo del VCO ovvero la VMSB e la VLSB sono ottenute tramite due potenziometri lineari R1 e R6  collegati tra VDD e VSS, con l'uscita portata verso gli ingressi analogici del micro tramite un filtro RC composto da R3 e C2 per la tensione VLSB e da R2 e C3 per la tensione di controllo VMSB. La presenza dei filtri RC e' quella di avere le due tensioni VLSB e VMSB privi di rumore filtrando eventuali rumori provenienti dalla VDD. Più pulite saranno queste tensioni minore sarà il rumore sulla frequenza di uscita inteso come instabilità del valore della frequenza. Questo suggerisce che la tensione di alimentazione VDD deve essere molto stabile e priva di rumore per garantire che le due tensioni di controllo VMSB e VLSB siano stabili nel tempo e in temperatura onde evitare fenomeni di deriva della frequenza. In figura lo schema elettrico del circuito del VCO digitale.

microst.it  schema del VCO DIGITALE

Figura 2 : schema elettrico del VCO DIGITALE

  Il circuito del VCO DIGITALE e' realizzabile utilizzando  il circuito del PCB10F, scheda tuttofare basata sul 10F322, con cui e' possibile realizzare alcuni circuiti presentati in questo sito. Per configurare la scheda PCB10F per il DIGITAL VCO bisogna configurare  i jumper JP1, JP2 e JP3 seondo la seguente tabella:

JUMPER STATO
JP1  CHIUSO
JP2 APERTO
JP3 CHIUSO

Con i settaggi definiti allora si ha la seguente crorrispondenza tra le tensione VLSB e MSB:

VMSB= V2  e  VLSB = V1

L'uscita del circuito e' prelevabile dal connettore JP7 posto 2 relatvo al segnale GPIO2.